電解液遠距離輸送在鋰電池生產中的應用研究
電解液遠距離輸送在鋰電池生產中的應用研究
秦玉龍 楊麟
中航鋰電(洛陽)有限公司 河南 洛陽 471003
摘要:本文重點對電解液遠距離輸送系統進行研究,包括輸送系統結構、功能、構成材質、使用流程、檢測標準等。著重對整套輸送系統使用前清洗流程進行研究分析,該系統的應用對產能較大的鋰電池生產線建設具有重要意義。
Application of long distance electrolyte transportation in lithium battery production
Qin Yu Long Yang Lin
(China Aviation Lithium Battery CO., LTD, Luoyang, Henan, 471003)
Abstract: This paper focuses on the study of the electrolyte long-distance transportation system, including the structure, function, composition, material, the process and testing standards of the transportation system. The application of the system is of great significance to the construction of lithium battery production line with larger capacity.
Key words: Electrolyte transportation;The Conduit;Cleaning process;Safety
鋰離子電池作為新一代綠色環保電池,工作電壓高、比能量高、無污染、循環壽命長,作為動力電池有著廣泛的應用前景[1]。隨著鋰電池生產線設計產能不斷提升,生產過程每天電解液的消耗量也越來越大。電解液桶轉運頻次、儲存安全性等問題日益凸顯。
1 研究背景
電解液為甲類物質,其存放區域需具備甲級防爆等級要求,為降低建設成本,鋰電廠通常電解液存放區域與生產區域相隔較遠。目前,生產過程是將200Kg/桶電解液由電解液庫房轉運至注液間進行生產,如果按照每日生產500WAh電池計算,每天需轉運超過30桶電解液,且受電解液庫房面積的影響其安全庫存壓力也急劇增加。為降低轉運頻次,增加安全庫存能力部分鋰電廠將200Kg/桶規格電解液更換為1T/桶規格電解液,但帶來新的問題是非防爆注液車間暫存電解液量超過安全標準規范所允許的最大限值。因此,電解液遠距離輸送系統的開發需求日趨迫切。
2 電解液輸送系統功能研究
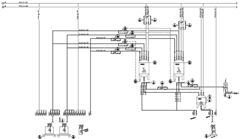
電解液輸送系統用于為電池注液設備傳輸所需電解液,具備氮壓自動供液、自動清洗及異常處理功能,設備工作狀態由系統自動控制可實現自動化供液。該系統設備配置獨立的PLC控制平臺,可實現對相關工藝參數(如壓力、供液量等)進行實時監視、記錄和調節控制、歷史數據查詢導出、問題報警及原因追溯、安全保護、密碼權限等功能。由控制系統、供液管路、氮氣管路、放空管路和氮氣緩沖裝置五部分組成,通過氮氣打壓的方法,將暫存間內的電解液經供液管路輸送至自動注液機內。
整套系統的動力源采用的是高純氮氣,供液管路材質采用的是內外壁拋光的SUS316L不銹鋼。PLC通過減重法系統判定罐體內電解液是否用完,主備兩個電解液供液口自動切換可實現不停機連續供液。
圖1 電解液輸送系統示意圖
3 電解液輸送系統清洗過程研究
管線的清洗是整個系統能否正常使用的關鍵步驟,電解液進過輸送管道后要求不能引入Fe、Ni、Cu等金屬離子;其次,電解液與水發生化學反應產生強酸,具有很強的腐蝕性,而且含水量超標的電解液也會造成鋰電池報廢[2],因此管道清洗不能使用水這種常規的清洗劑。本系統清洗劑選擇為DMC溶液。
3.1 管道密封性進行檢測
首先,管道壓力試驗是通過高純氮氣為填充介質進行,保壓壓力為使用壓力的1.5~2倍,保壓時間為30min無泄漏;
其次,管道泄漏性試驗通過逐步升壓的方式對閥門、法蘭等管件連接處利用肥皂水檢測無氣泡;
計算管道保壓合格標準計算公式(1):
其中:A:每小時平均泄漏率(%/h)
P1、P2:試驗開始和結束的絕對壓力(Mpa)
T1、T2:開始、結束時的氣體溫度(℃)
t:試驗時間(h)
判定電解液輸送管道保壓合格標準:A≤1‰/h。
3.2 管道清潔
1)使用壓縮空氣將供液管路、氮氣管路、放空管路和氮氣緩沖罐內的雜質、顆粒物清除,壓縮空氣的壓力控制在使用壓力的2~3倍,該過程需要連續吹掃,采用打靶驗收的方法確定管道內是否潔凈。
2)使用氮氣排除管路內的空氣,并連續吹掃。壓力控制在使用壓力的2~3倍,該過程需要連續吹掃。
3)把DMC清洗液通過氮氣打壓的方法壓入供液管路中進行第一次潤洗。
4)第二次用DMC清洗液對供液管路進行潤洗,用取樣瓶分別在排放DMC清洗液的中間時段和結束時段各取一個200ml左右的樣品,取樣完畢之后,密封并做好標記,進行水分和離子檢測。
5)用氮氣對供液管路進行連續吹掃,壓力控制在使用壓力的2~3倍,將DMC清洗液排除,然后氮氣封存管路。
6)若水分和離子檢測不合格,重復步驟2、4、5。
3.3 電解液輸送系統使用步驟
為保證系統可靠性,在使用過程中要對該系統進行動態監控,電解液水份抽樣檢測頻次不低于2次/天,離子檢測不低于2次/月。具體操作步驟如下圖1所示:
圖2 電解液輸送系統使用流程
4 結語
電解液遠距離輸送系統不僅能有效的解決因鋰電池產能提升帶來的轉運頻次提高的問題,同時也能解決甲級防爆暫存間與常規注液車間聯通的生產問題,具有極大的推廣意義。未來隨著對該系統的應用研究的逐步深入和完善,穩定可靠的電解液遠距離系統應用將越來越廣泛。
參考文獻
[1]倪文昊,丁冬.我國鋰離子電池發展現狀及前景探討[J].中國石油和化工標準與質量,2012,8-26
[2]肖順華,章明方.水分對鋰離子電池性能的影響[J].應用化學,2005,22(7):764-767.
[3]墨柯.鋰離子電池電解液產業分析[J].真鋰研究,2013.05(7):18-26.
[4]吳鵬云.電解液智能管式過濾器設計[J].機械研究與應用,2011.06.


